留言板

尊敬的读者、作者、审稿人, 关于本刊的投稿、审稿、编辑和出版的任何问题, 您可以本页添加留言。我们将尽快给您答复。谢谢您的支持!

姓名
邮箱
手机号码
标题
留言内容
验证码

基于微面元模型的海面舰船尾迹长波红外偏振建模与仿真分析

管沛豪 周平 杨丽娜 温馨 李冠霖 史浩东 孙洪宇 王祺 王稼禹 陈明策 李英超

管沛豪, 周平, 杨丽娜, 温馨, 李冠霖, 史浩东, 孙洪宇, 王祺, 王稼禹, 陈明策, 李英超. 基于微面元模型的海面舰船尾迹长波红外偏振建模与仿真分析[J]. 中国光学(中英文). doi: 10.37188/CO.2025-0160
引用本文: 管沛豪, 周平, 杨丽娜, 温馨, 李冠霖, 史浩东, 孙洪宇, 王祺, 王稼禹, 陈明策, 李英超. 基于微面元模型的海面舰船尾迹长波红外偏振建模与仿真分析[J]. 中国光学(中英文). doi: 10.37188/CO.2025-0160
GUAN Pei-hao, ZHOU Ping, YANG Li-na, WEN Xin, LI Guan-lin, SHI Hao-dong, SUN Hong-yu, WANG Qi, WANG Jia-yu, CHEN Ming-ce, LI Ying-chao. Modeling and simulation analysis of long-wave infrared polarization of ship wakes on the sea surface based on the microfacet model[J]. Chinese Optics. doi: 10.37188/CO.2025-0160
Citation: GUAN Pei-hao, ZHOU Ping, YANG Li-na, WEN Xin, LI Guan-lin, SHI Hao-dong, SUN Hong-yu, WANG Qi, WANG Jia-yu, CHEN Ming-ce, LI Ying-chao. Modeling and simulation analysis of long-wave infrared polarization of ship wakes on the sea surface based on the microfacet model[J]. Chinese Optics. doi: 10.37188/CO.2025-0160

基于微面元模型的海面舰船尾迹长波红外偏振建模与仿真分析

cstr: 32171.14.CO.2025-0160
基金项目: 国家自然科学基金(No. 61890960);光电测量与智能感知中关村开放实验室开放基金(No. LabSOMP-2024-17)
详细信息
    作者简介:

    管沛豪(1998—),男,吉林吉林人,硕士,吉林吉林人,2021年于长春理工大学获得硕士学位,主要从事光学设计,偏振成像方面的研究。E-mail:2745744415@qq.com

    李英超(1966—),男,博士,正高级工程师,博士生导师,2012年获得长春理工大学博士学位,主要从事多维度光学特性测试与探测技术,先进光学成像测试方面的研究。E-mail:13944068295@163.com

  • 中图分类号: O436

Modeling and simulation analysis of long-wave infrared polarization of ship wakes on the sea surface based on the microfacet model

Funds: Supported by the National Natural Science Foundation of China (No. 61890960); Optoelectronic Measurement and Intelligent Perception Zhongguancun Open Lab (No. LabSOMP-2024-17)
More Information
  • 摘要:

    针对复杂海况下舰船尾迹红外探测需求,提出基于微面元模型的动态舰船尾迹红外偏振特性分析方法,构建了复杂海面背景的尾迹红外偏振效应解析模型,基于P-M海谱模型与开尔文尾迹模型,引入微面元双向反射分布函数,分析了动态海面背景下舰船尾迹红外偏振特性规律,掌握了航速、吃水深度、风速和风向等参数对尾迹红外偏振度、偏振角、对比度等特性的影响。其中,尾迹红外偏振度图像的平均对比度较传统强度图像提升159%,偏振角图像提升258%。采用数学仿真与计算流体力学仿真相对比的方法对尾迹红外偏振效应解析模型进行验证,结果相似度优于95.7%,将尾迹实拍图与仿真结果进行对比,二者具有较高相似度,验证了该模型对于海面背景下舰船尾迹红外偏振特性仿真分析的有效性。本研究为复杂海况下舰船高精度、抗干扰探测与识别提供了重要的理论基础。

     

  • 图 1  海面微面元双向反射分布函数示意图

    Figure 1.  Schematic Diagram of Sea Surface Microfacet Bidirectional Reflectance Distribution Function (BRDF)

    图 2  粗糙海面高度场

    Figure 2.  Height Field of Rough Sea Surface

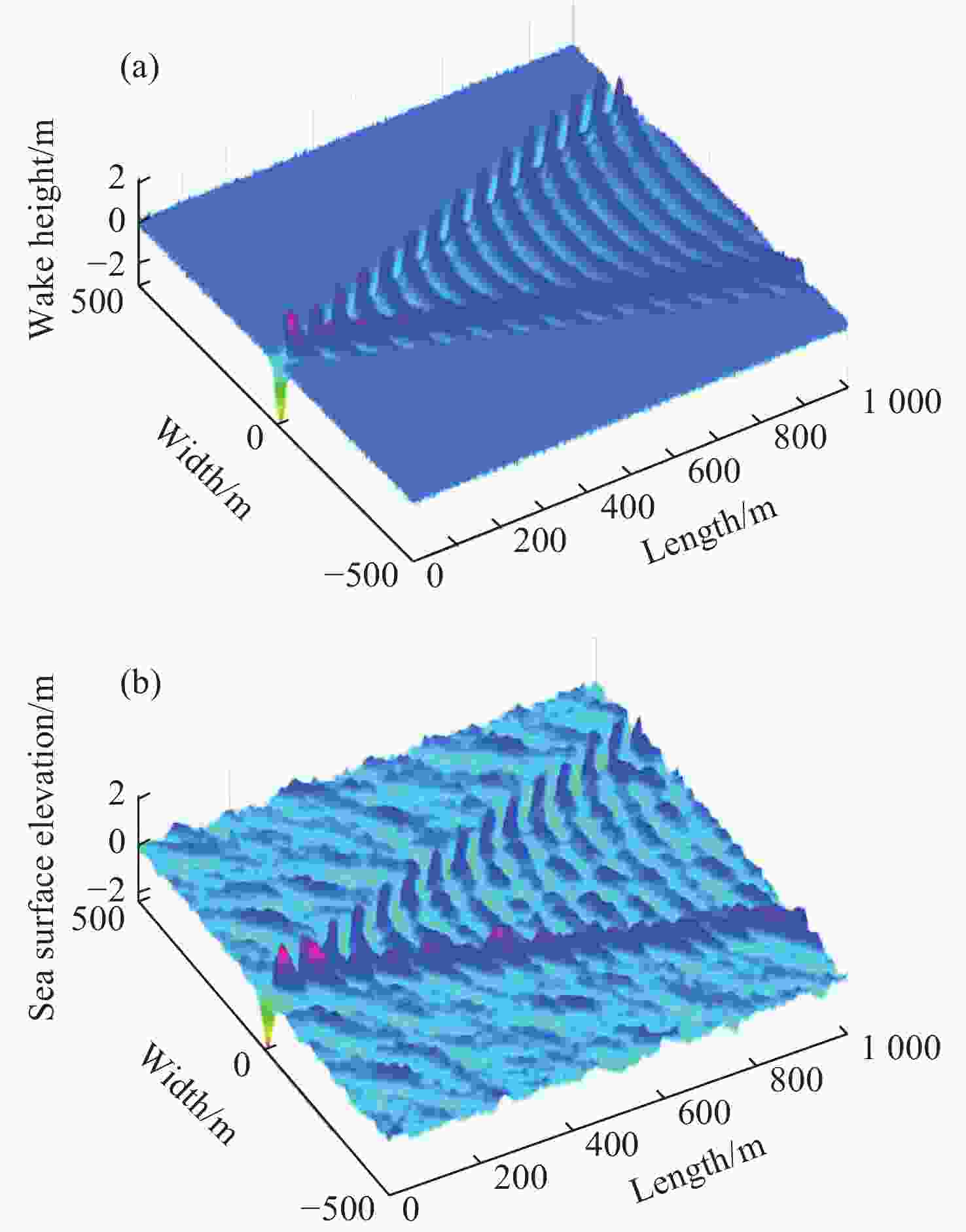
    图 3  开尔文尾迹与海面舰船尾迹高度场仿真图(a).开尔文尾迹仿真图(b).海面尾迹仿真图

    Figure 3.  Simulation Diagram of Height Field of Kelvin Wake and Ship Wake on the Sea Surface(a) Kelvin Wake Simulation Diagram (b) Ship Wake on the Sea Surface Simulation Diagram

    图 4  尾迹红外偏振特性随航速变化图。(a).尾迹红外强度仿真图(b).尾迹红外偏振度仿真图(c).尾迹红外偏振角仿真图

    Figure 4.  Variation Diagram of Infrared Polarization Characteristics of Wake with Ship Speed(a) Wake Infrared Intensity Simulation Diagram (b) Wake Infrared DOLP Simulation Diagram (c) Wake Infrared AOP Simulation Diagram

    图 5  各偏振图像开尔文臂对比度随航速变化图

    Figure 5.  Variation Diagram of Contrast of Kelvin Arms in Various Polarization Images with Ship Speed

    图 6  尾迹红外偏振特性随风速变化图。(a).尾迹红外强度仿真图(b).尾迹红外偏振度仿真图(c).尾迹红外偏振角仿真图

    Figure 6.  Variation Diagram of Infrared Polarization Characteristics of Wake with Wind Speed(a) Wake Infrared Intensity Simulation Diagram (b) Wake Infrared DOLP Simulation Diagram (c) Wake Infrared AOP Simulation Diagram

    图 7  各偏振图像开尔文臂对比度随风速变化图

    Figure 7.  Variation Diagram of Contrast of Kelvin Arms in Various Polarization Images with Wind Speed

    图 8  尾迹红外偏振特性随风向变化图。(a).尾迹红外强度仿真图(b).尾迹红外偏振度仿真图(c).尾迹红外偏振角仿真图

    Figure 8.  Variation Diagram of Infrared Polarization Characteristics of Wake with Wind Direction (a) Wake Infrared Intensity Simulation Diagram (b) Wake Infrared DOLP Simulation Diagram (c) Wake Infrared AOP Simulation Diagram

    图 9  各偏振图像开尔文臂对比度随风向变化图

    Figure 9.  Variation Diagram of Contrast of Kelvin Arms in Various Polarization Images with Wind Direction

    图 10  尾迹红外偏振特性随吃水深度变化图。(a).尾迹红外强度仿真图(b).尾迹红外偏振度仿真图(c).尾迹红外偏振角仿真图

    Figure 10.  Variation Diagram of Infrared Polarization Characteristics of Wake with Draft Depth (a) Wake Infrared Intensity Simulation Diagram (b) Wake Infrared DOLP Simulation Diagram (c) Wake Infrared AOP Simulation Diagram

    图 11  各偏振图像开尔文臂对比度随吃水深度变化图

    Figure 11.  Variation Diagram of Contrast of Kelvin Arms in Various Polarization Images with Draft Depth

    图 12  尾迹红外偏振特性随吃水深度变化图。(a).数学仿真效果图(b).流体仿真效果图

    Figure 12.  Variation Diagram of Infrared Polarization Characteristics of Wake with Draft Depth(a) Mathematical Simulation Results (b) Fluid Simulation Results

    图 13  尾迹外场实验图。(a).红外偏振原图(b).红外偏振度图(c).实验现场图

    Figure 13.  Field experiment images of the wake. (a). Infrared polarization raw image; (b). Infrared degree of polarization image; (c). Experimental field diagram.

    表  1  仿真图像评价函数计算结果

    Table  1.   Calculation Results of Evaluation Functions for Simulated Images

    Types of Evaluation FunctionsBhattacharyya CoefficientPearson Correlation CoefficientHistogram Intersection CoefficientChi-Square CoefficientSimilarity
    Infrared Original Image0.9920.9990.9880.9710.988
    Infrared DOLP Image0.9890.9950.9810.9460.978
    Infrared AOP Image0.9760.9810.9610.9110.957
    下载: 导出CSV
  • [1] 钟一凡, 李丽圆, 陶天宇, 等. 热红外遥感影像的全天时舰船尾迹检测方法(特邀)[J]. 光学学报, 2025, 45(12): 1228004. doi: 10.3788/AOS241733

    ZHONG Y F, LI L Y, TAO T Y, et al. All-weather ship wake detection method in thermal infrared remote sensing images (invited)[J]. Acta Optica Sinica, 2025, 45(12): 1228004. (in Chinese). doi: 10.3788/AOS241733
    [2] 杨晨南, 付跃刚, 欧阳名钊, 等. 高温金属表面红外辐射偏振特性研究[J]. 光谱学与光谱分析, 2025, 45(6): 1557-1565. doi: 10.3964/j.issn.1000-0593(2025)06-1557-09

    YANG CH N, FU Y G, OUYANG M ZH, et al. Polarization characteristics of infrared radiation on high-temperature metal surfaces[J]. Spectroscopy and Spectral Analysis, 2025, 45(6): 1557-1565. (in Chinese). doi: 10.3964/j.issn.1000-0593(2025)06-1557-09
    [3] 王文轩. 天空背景下目标红外偏振特性建模及实验分析研究[D]. 西安: 西安工业大学, 2025.

    WANG W X. Modeling and experimental analysis of infrared polarization characteristics of targets in the sky background[D]. Xi’an: Xi’an Technological University, 2025. (in Chinese).
    [4] 解聪, 袁航, 柴国贝, 等. 海面背景下气动加热目标在轨红外偏振成像特征预测及仿真分析[J]. 红外与激光工程, 2024, 53(11): 20240222. doi: 10.3788/IRLA20240222

    XIE C, YUAN H, CHAI G B, et al. Prediction and simulation analysis of infrared polarization imaging characteristics of aerodynamic heating targets in orbit under sea background[J]. Infrared and Laser Engineering, 2024, 53(11): 20240222. (in Chinese). doi: 10.3788/IRLA20240222
    [5] SIDRAN M. Broadband reflectance and emissivity of specular and rough water surfaces[J]. Applied Optics, 1981, 20(18): 3176-3183. doi: 10.1364/AO.20.003176
    [6] SHAW J A. Degree of linear polarization in spectral radiances from water-viewing infrared radiometers[J]. Applied Optics, 1999, 38(15): 3157-3165. doi: 10.1364/AO.38.003157
    [7] 张景华, 张焱, 石志广. 基于长波红外的海面场景偏振特性分析与建模[J]. 红外与毫米波学报, 2018, 37(5): 586-594.

    ZHANG J H, ZHANG Y, SHI ZH G. Study and modeling of infrared polarization characteristics based on sea scene in long wave band[J]. Journal of Infrared and Millimeter Waves, 2018, 37(5): 586-594. (in Chinese).
    [8] 张志远, 陈洪耀, 黄文薪, 等. 漫反射板BRDF特性及其对星上定标的影响分析[J]. 光学学报, 2025, 45(12): 1228013. doi: 10.3788/AOS250565

    ZHANG ZH Y, CHEN H Y, HUANG W X, et al. Analysis of solar diffuser BRDF characteristics and their effect on on-board calibration[J]. Acta Optica Sinica, 2025, 45(12): 1228013. (in Chinese). doi: 10.3788/AOS250565
    [9] 柳祎, 史浩东, 姜会林, 等. 粗糙目标表面红外偏振特性研究[J]. 中国光学, 2020, 13(3): 459-471. doi: 10.3788/CO.2019-0123

    LIU Y, SHI H D, JIANG H L, et al. Infrared polarization properties of targets with rough surface[J]. Chinese Optics, 2020, 13(3): 459-471. (in Chinese). doi: 10.3788/CO.2019-0123
    [10] KUDRYAVTSEV V N, MAKIN V K. Aerodynamic roughness of the sea surface at high winds[M]//BAKLANOV A, GRISOGONO B. Atmospheric Boundary Layers: Nature, Theory, and Application to Environmental Modelling and Security. New York: Springer, 2007: 133-147, doi: 10.1007/978-0-387-74321-9_10.
    [11] COX C S, MUNK W H. Statistics of the sea surface derived from sun glitter[J]. Journal of Marine Research, 1954, 13(2): 198-227.
    [12] 叶敏锐, 崔文楠, 黄夏阳, 等. 浮空器平台海雾背景下红外偏振特性分析及作用距离建模[J]. 红外与毫米波学报, 2025, 44(3): 459-468. doi: 10.11972/j.issn.1001-9014.2025.03.016

    YE M R, CUI W N, HUANG X Y, et al. Analysis of infrared polarization characteristics and modeling of operating distance on aerostat platform in sea fog[J]. Journal of Infrared and Millimeter Waves, 2025, 44(3): 459-468. (in Chinese). doi: 10.11972/j.issn.1001-9014.2025.03.016
    [13] 朱鹤骞, 曲宏松. 海面背景耀光的自适应抑制系统[J]. 光学学报, 2022, 42(12): 1201006. doi: 10.3788/AOS202242.1201006

    ZHU H Q, QU H S. Adaptive suppression system of sea background flare[J]. Acta Optica Sinica, 2022, 42(12): 1201006. (in Chinese). doi: 10.3788/AOS202242.1201006
    [14] 陈卫, 乔延利, 孙晓兵, 等. 基于偏振辐射图融合的水面太阳耀光抑制方法[J]. 光学学报, 2019, 39(5): 0529001. doi: 10.3788/AOS201939.0529001

    CHEN W, QIAO Y L, SUN X B, et al. Method for water surface sun glint suppression based on polarized radiation image fusion[J]. Acta Optica Sinica, 2019, 39(5): 0529001. (in Chinese). doi: 10.3788/AOS201939.0529001
    [15] 刘鹏, 倪新宇, 段锦, 等. 面向海面反光抑制的最优偏振探测角度估计[J]. 光学 精密工程, 2025, 33(13): 2036-2055. doi: 10.37188/OPE.20253313.2036

    LIU P, NI X Y, DUAN J, et al. Optimal polarization detection angle estimation for sea surface glint suppression[J]. Optics and Precision Engineering, 2025, 33(13): 2036-2055. (in Chinese). doi: 10.37188/OPE.20253313.2036
    [16] COOPER A W, LENTZ W J, WALKER P L, et al. Infrared polarization measurements of ship signatures and background contrast[J]. Proceedings of SPIE, 1994, 2223: 300-309. doi: 10.1117/12.177924
    [17] 施伟, 侯海平. 三维随机海浪模拟研究[J]. 浙江海洋学院学报(自然科学版), 2006(4): 410-413.

    SHI W, HOU H P. Study on simulation of 3-D random waves[J]. Journal of Zhejiang Ocean University (Natural Science), 2006(4): 410-413. (in Chinese).
    [18] 王亚博. 红外海面及舰船尾迹仿真研究[D]. 西安: 西安电子科技大学, 2019.

    WANG Y B. Simulation research of in fared sea surface and ship wake[D]. Xi’an: Xidian University, 2019. (in Chinese).
    [19] MONIN A S, OBUKHOV A M. Basic laws of turbulent mixing in the surface layer of the atmosphere[J]. Contrib. Geophys. Inst. Acad. Sci. USSR, 2009, 24(151): 163-187. (查阅网上资料, 未找到本条文献刊名全写, 请确认).
    [20] WANG H, et al. Spectral comparisons of ocean waves and Kelvin ship waves[C]. Proceedings of the 7th Offshore Mechanics and Arctic Engineering Symposium, ASME, 1988: 253-261. (查阅网上资料, 未找到本条文献全部作者信息, 请确认).
  • 加载中
图(13) / 表(1)
计量
  • 文章访问数:  17
  • HTML全文浏览量:  11
  • PDF下载量:  0
  • 被引次数: 0
出版历程
  • 收稿日期:  2025-12-19
  • 录用日期:  2026-03-13
  • 网络出版日期:  2026-04-22

目录

    /

    返回文章
    返回