留言板

尊敬的读者、作者、审稿人, 关于本刊的投稿、审稿、编辑和出版的任何问题, 您可以本页添加留言。我们将尽快给您答复。谢谢您的支持!

姓名
邮箱
手机号码
标题
留言内容
验证码

Diffraction characteristics analysis of multi-depth phase modulation grating in terahertz band

YANG Qiu-jie HE Zhi-ping MI Zhong-liang

杨秋杰, 何志平, 糜忠良. 太赫兹立体相位光栅衍射特性分析[J]. 中国光学(中英文), 2020, 13(3): 605-615. doi: 10.3788/CO.2019-0147
引用本文: 杨秋杰, 何志平, 糜忠良. 太赫兹立体相位光栅衍射特性分析[J]. 中国光学(中英文), 2020, 13(3): 605-615. doi: 10.3788/CO.2019-0147
YANG Qiu-jie, HE Zhi-ping, MI Zhong-liang. Diffraction characteristics analysis of multi-depth phase modulation grating in terahertz band[J]. Chinese Optics, 2020, 13(3): 605-615. doi: 10.3788/CO.2019-0147
Citation: YANG Qiu-jie, HE Zhi-ping, MI Zhong-liang. Diffraction characteristics analysis of multi-depth phase modulation grating in terahertz band[J]. Chinese Optics, 2020, 13(3): 605-615. doi: 10.3788/CO.2019-0147

太赫兹立体相位光栅衍射特性分析

详细信息
  • 中图分类号: TP394.1; TH691.9

Diffraction characteristics analysis of multi-depth phase modulation grating in terahertz band

doi: 10.3788/CO.2019-0147
Funds: Supported by the National Natural Science Foundation of China (No. 61905268); Natural Science Foundation of Shanghai Province (No. 18ZR1445500); the Innovation Project Fund of Shanghai Institute of Technical Physics (IPFSITP) (No. CX-158); the Opening Project of Shanghai Key Laboratory of Crime Scene Evidence (No. 2018XCWZK14)
More Information
    Author Bio:

    Yang Qiujie (1988—), male, born in Gongyi City, Henan province. Ph.D. He is now an assistant researcher at Shanghai Institute of Technical Physics, and mainly engaged in THz spectral imaging research. E-mail: yqj488112gxx@163.com

    He Zhiping (1977—), male, born in Xinyu City, Jiangxi Province. Ph.D. He is now a researcher and doctoral supervisor of Shanghai Institute of Technical Physics. He is mainly engaged in the research of photoelectric detection and imaging, focusing on the spectral imaging detection technology oriented to lunar and deep space exploration applications and the spaceborne active and passive composite optical technology. E-mail: hzping@mail.sitp.ac.cn

    Corresponding author: hzping@mail.sitp.ac.cn
  • 摘要: 针对太赫兹谱成像对宽光谱、高光能利用率、实时探测分光器件的需求,提出了一种太赫兹立体相位光栅(MPMG)分光器件。MPMG通过刻槽深度的变化引入光程差,实现对入射光的相位调制,从而使反射太赫兹波前的不同区域具有不同的相位信息,其零级衍射光具备分光能力。在分析MPMG衍射场光强分布的基础上,讨论了光栅参数对衍射场分布的影响,并通过实验验证了MPMG的衍射特性。结果表明,MPMG各光栅单元在0.5 THz、0.34 THz的衍射效率理论值与实测值相吻合,证明了MPMG的零级衍射光具备分光能力。

     

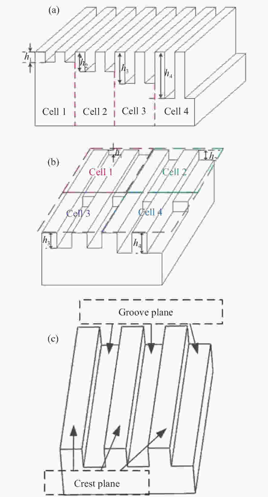
  • 图 1  MPMG示意图(a)一维MPMG,(b)二维MPMG(c)光栅单元

    Figure 1.  Schematic diagram of MPMG. (a) 1D MPMG, (b) 2D MPMG, (c) grating cell

    图 2  (a) MPMG等效为平面透射光栅示意图 (b) MPMG衍射示意图

    Figure 2.  (a) Reflection grating simulated as a plane transmission grating; (b) MPMG diffraction diagram

    图 3  不同相位调制下沿x轴方向的光强分布

    Figure 3.  Light intensity distributions along the x axis under different phase modulation conditions

    图 4  (a) 高功率辐射源系统;(b) 激光准直与发射系统;(c) 实验方案;(d) 一维MPMG;(e) 光栅测试系统;(f) 探测器照片

    Figure 4.  (a) High-power THz radiation source system. (b) Laser collimation and transmission system. (c) Schematic of experiment. (d) 1D MPMG. (e) Grating-testing system. (f) Photograph of the THz detector.

    图 5  光栅单元0级和1级衍射效率的模拟和测试结果(a) 0.34 THz (b) 0.5 THz

    Figure 5.  Simulation and test results of 0th- and 1st-order diffraction efficiency for each grating cell at (a) 0.34 THz and (b) 0.5 THz

    表  1  Parameters of 1D MPMG

    Table  1.   Parameters of 1D MPMG

    Name of parameterValueName of parameterValue
    N8n5
    w /mm1l /mm40
    ψ/(°)0θ/(°)60
    h /cm
    h{1}0.163 5h{5}0.817 5
    h{2}0.327 0h{6}0.981 0
    h{3}0.490 5h{7}1.144 5
    h{4}0.654 0h{8}1.308 0
    下载: 导出CSV
  • [1] ZHANG CH M, LI Q W, YAN Q L, et al. High throughput static channeled interference imaging spectropolarimeter based on a Savart polariscope[J]. Optics Express, 2016, 24(20): 23314-23332. doi: 10.1364/OE.24.023314
    [2] LUO Y C, LIU X X, HAYTON D J, et al.. Fourier phase grating for THz multi-beam local oscillators[C]. Proceedings of the 26th International Symposium on Space Terahertz Technology, International Symposium on Space Terahertz Technology, 2015: 77-78.
    [3] MIRZAEI B, SILVA J R G, LUO Y C, et al. Efficiency of multi-beam Fourier phase gratings at 1.4 THz[J]. Optics Express, 2017, 25(6): 6581-6588.
    [4] WANG L, GE SH J, HU W, et al. Tunable reflective liquid crystal terahertz waveplates[J]. Optical Materials Express, 2017, 7(6): 2023-2029. doi: 10.1364/OME.7.002023
    [5] YANG J, XIA T Y, JING SH CH, et al. Electrically tunable reflective terahertz phase shifter based on liquid crystal[J]. Journal of Infrared,Millimeter,and Terahertz Waves, 2018, 39(5): 439-446. doi: 10.1007/s10762-018-0469-3
    [6] HALL R T, VRABEC D, DOWLING J M. A high-resolution, far infrared double-beam Lamellar grating interferometer[J]. Applied Optics, 1966, 5(7): 1147-1158. doi: 10.1364/AO.5.001147
    [7] MANZARDO O, MICHAELY R, SCHÄDELIN F, et al. Miniature lamellar grating interferometer based on silicon technology[J]. Optics Letters, 2004, 29(13): 1437-1439.
    [8] YU H B, ZHOU G Y, SIONG C F, et al. An electromagnetically driven lamellar grating based Fourier transform microspectrometer[J]. Journal of Micromechanics and Microengineering, 2008, 18(5): 055016. doi: 10.1088/0960-1317/18/5/055016
    [9] GAO X, LI SH H, MA Q L, et al. Development of grating-based precise displacement measurement technology[J]. Chinese Optics, 2019, 12(4): 741-752. (in Chinese) doi: 10.3788/co.20191204.0741
    [10] ZHANG M, LV J G, LIANG J Q, et al. Error analysis and fabrication of low-stepped mirrors[J]. Chinese Optics, 2019, 12(4): 791-803. (in Chinese) doi: 10.3788/co.20191204.0791
    [11] WU Y F, WANG Y J, SUN H J, et al. LSS-target detection in complex sky backgrounds[J]. Chinese Optics, 2019, 12(4): 853-865. (in Chinese) doi: 10.3788/co.20191204.0853
    [12] Shanghai Institute of Technical Physics of the Chinese Academy of Sciences, CAS. Terahertz one-dimensional stereo phase grating: CN, CN106125176B[P]. 2018-06-26. (in Chinese)
    [13] HUANG J G, HUANG ZH M, TONG J CH, et al. Intensive terahertz emission from GaSe0.91S0.09 under collinear difference frequency generation[J]. Applied Physics Letters, 2013, 103(8): 081104.
    [14] YANG Q J, HE ZH P, SHU R. Lens design and verification used for terahertz space transmission[J]. Journal of Infrared and Millimeter Waves, 2017, 36(5): 519-525. doi: 10.11972/j.issn.1001-9014.2017.05.002
    [15] HUANG Z M, HUANG J G, GAO Y Q, et al.. High-resolution terahertz spectrometer with up to 110 m single-pass base[C]. Proceedings of 2016 IEEE International Conference on Infrared, Millimeter, and Terahertz Waves, IEEE, 2016: 1-2.
    [16] XIAO ZH Y, YANG Q J, HUANG J G, et al. Terahertz communication windows and their point-to-point transmission verification[J]. Applied Optics, 2018, 57(27): 7673-7680.
  • 加载中
图(5) / 表(1)
计量
  • 文章访问数:  2740
  • HTML全文浏览量:  1323
  • PDF下载量:  111
  • 被引次数: 0
出版历程
  • 收稿日期:  2019-07-10
  • 修回日期:  2019-08-10
  • 刊出日期:  2020-06-01

目录

    /

    返回文章
    返回